Submersíveis
SÉRIE VAS
– Norma – Nema MG1-18.326 a MG1-18.341 – “JET PUMP”
– 4 polos – 1.750 rpm – 60 Hz
– Monofásicos:110/220 V
– Trifásicos: 220/380 V
– Grau de Proteção: IP 21
– Isolamento: Classe F
– Passagem de sólidos: 10 mm
– Carcaça e Intermediária – em liga especial de alumínio-silício.
– Rotor – do tipo semi-aberto em ferro fundido.
– Eixo prolongado – vertical, em aço carbono
– Tubo espaçador – para proteção do eixo, em aço carbono
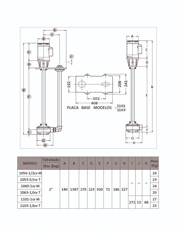
– Tubo de elevação – em PVC ( somente mods. VAS 1101 / 1103 )



