Centrífugas
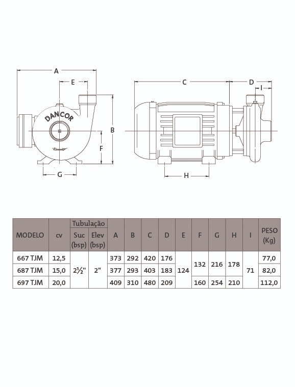
PADRÃO-687 JM (677-697)
Motor Elétrico:
– Norma – Nema MG1-18.614 – JM
– Eixo: protegido por bucha de bronze
– 2 polos – 3.500 rpm – 60 Hz
– Grau de Proteção: IP 55 (TFVE)
– Isolamento: Classe F
Tensões:
– Monofásico: 220/440V
– Trifásico: 220/380/440/760V
Carcaça e Intermediária – em liga especial de alumínio-silício, de alta resistência à pressão e oxidação.
Rotor – do tipo fechado, construído em liga especial de alumínio-silício e fixadas por meio de chaveta, arruela e parafuso de fixação.
Vedação do eixo -por selo mecânico – Ø 1¼”, tipo “21”- (motores de 12,5cv e 15cv); Ø 1¾”, tipo “21”- (motores de 20cv), conjunto de precisão, construído com borracha nitrílica, mola de aço inox e faces de vedação em grafite e cerâmica. Temperatura de trabalho do liquido até 80ºC.



