Centrífugas
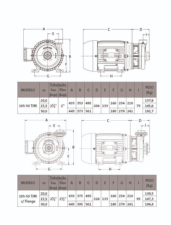
PADRÃO-105-50 JM
Motor Elétrico:
– 2 polos – 3.500 rpm – 60 Hz
– Grau de Proteção: IP 55 (TFVE)
– Isolamento: Classe F
Tensões:
– Trifásico: 220/380/440/760V
Carcaça, intermediária e flange – em ferro fundido.
Rotor – em ferro fundido.
Vedação do eixo – por selo mecânico – Ø 1¾”, tipo “21”- conjunto de precisão, construído com borracha nitrílica, mola de aço inox e faces de vedação em grafite e cerâmica. Temperatura de trabalho do liquido até 80ºC.



