Centrífugas
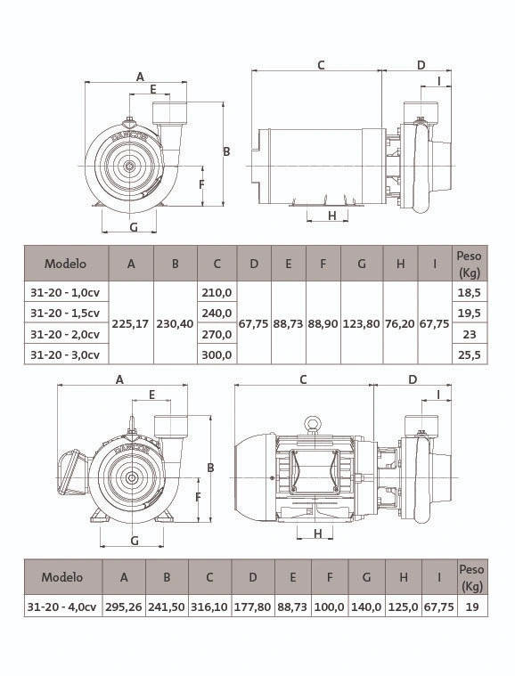
PADRÃO-31-20 JM
Motor Elétrico:
– 2 polos – 3.500 rpm – 60 Hz
– Grau de Proteção: IP 21 (até 3 cv) – IP55-TFVE (de 4 cv)
– Isolamento: Classe F
Tensões:
– Monofásicos – 110/220V (até 3cv) e 220/440V (de 4cv)
– Trifásicos – 220/380V (até 3cv) e 220/380/440/760V (de 4cv)
Carcaça, Intermediária – em liga especial de alumínio-silício, de alta resistência à pressão e oxidação.
Rotor -tipo fechado, construído em liga especial de alumínio-silício roscado, diretamente na ponta do eixo do motor (1,0 a 3,0 cv) e fixado por meio de parafuso e arruela de fixação, e chaveta (motor de 4,0 cv).
Vedação do eixo – por selo mecânico – ø 5/8”, tipo 16 (motores de 1,0 a 3,0cv); ø 1¼”, tipo 21 (motor 4,0cv), conjunto de precisão, construído com borracha nitrílica, mola de aço inox e faces de vedação em grafite e cerâmica. Temperatura de trabalho do liquido até 80ºC.



