Centrífugas
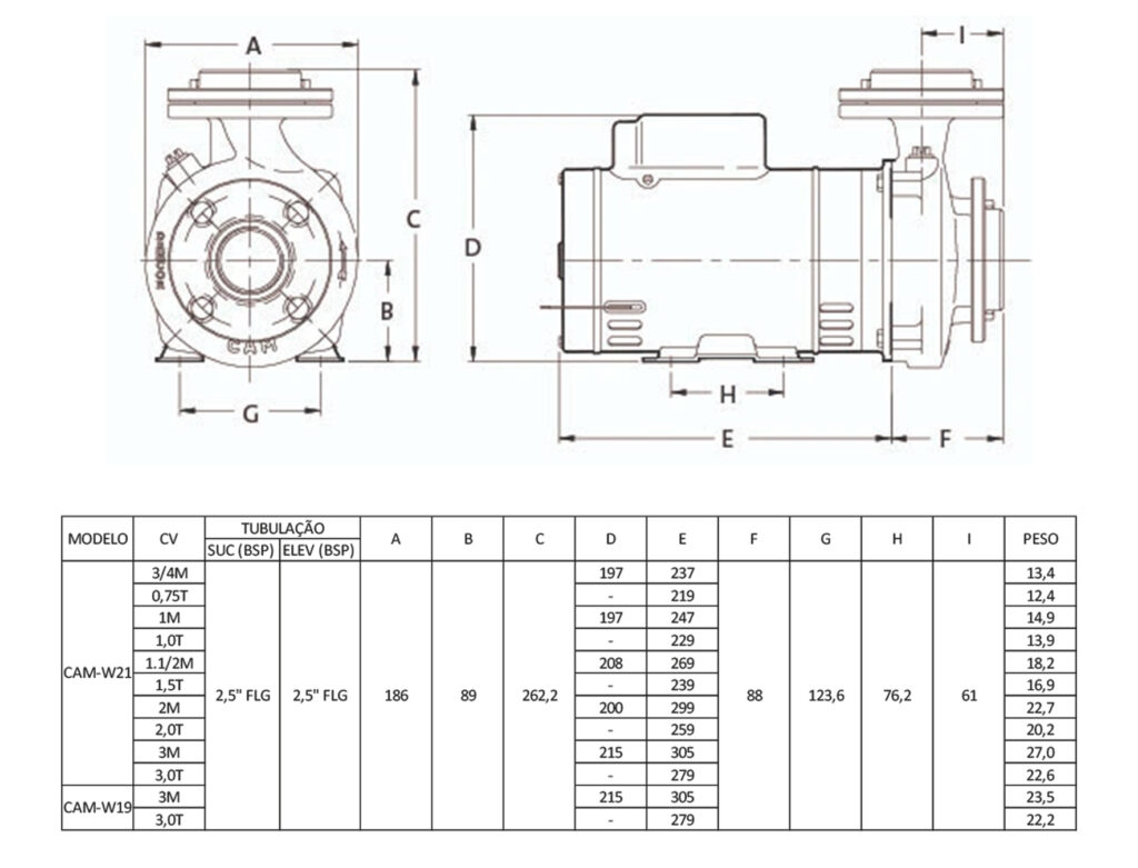
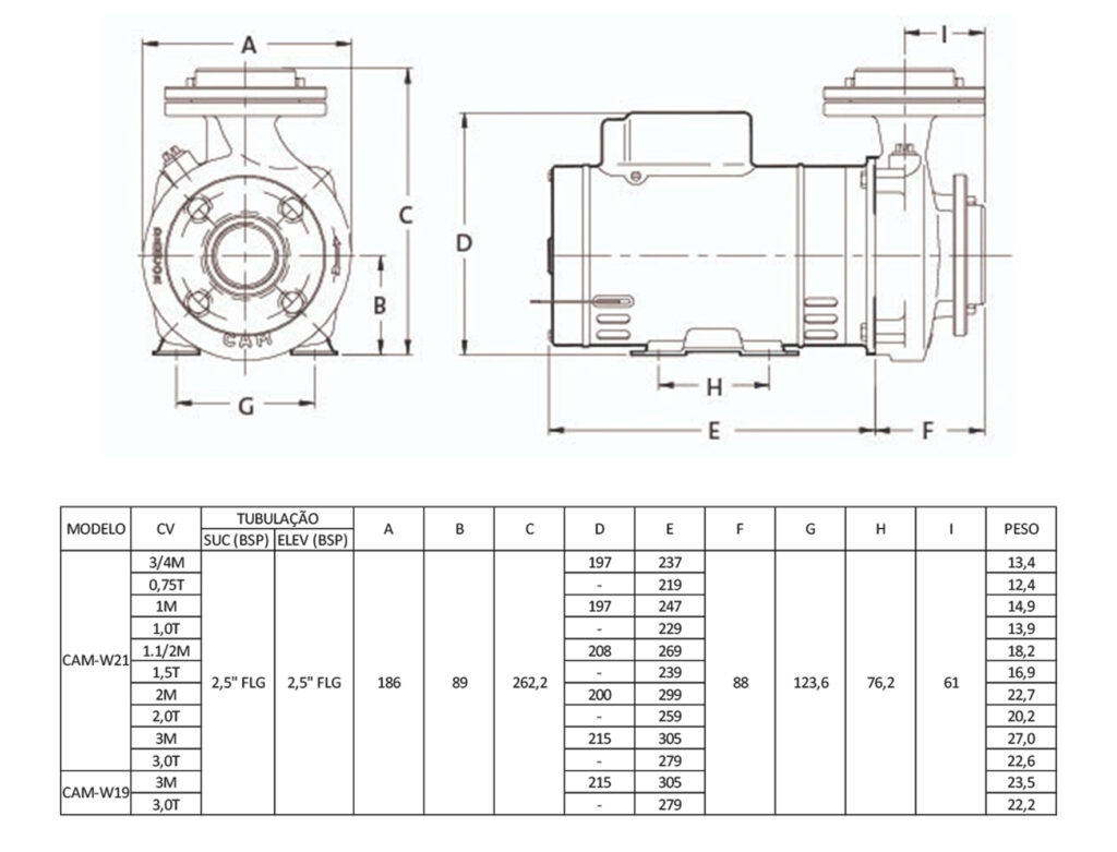
CAM-W21 – FLG
Motor Elétrico:
– Norma – MG 1.18.326 a MG 1.18.341 “Jet Pump”
– Eixo: em aço carbono Ø 5/8”
– 2 polos – 3.500 rpm – 60 Hz
– Grau de Proteção: IP 21
– Isolamento: Classe “F”
Tensões:
– Monofásico: 110-127/220-254V
– Trifásico: 220/380V
Carcaça e Flange – com voluta em liga especial de alumínio-silício, de alta resistência à pressão e oxidação, bocal de recalque na linha centro/vertical e plug para seu perfeito escorvamento.
Rotor – do tipo fechado, construído em liga especial de alumínio-silício roscado, diretamente, na ponta do eixo do motor.
Vedação do eixo – por selo mecânico – Ø 5/8”, tipo “16” – conjunto de precisão, construído com borracha nitrílica, mola de aço inox e faces de vedação em grafite e cerâmica. Temperatura de trabalho do líquido até 80°C.



